Стальная каминная топка АСТОН ВЕРТИКАЛЬ рассчитана на прогрев помещений объёмом до 210 м³.
Топка ориентирована вертикально, что делает её более компактной по занимаемой площади. Оптимально смотрится в интерьере, дизайн которого предполагает движение вверх.
Топочная камера изготовлена из особо прочной котловой стали, рассчитана на пристенное размещение. Топка изнутри облицована вермикулитом, что обеспечивает максимальную теплоёмкость печи. Вермикулитовая облицовка защищает стены от прогорания и избыточного нагрева.
Топка оборудована системой вторичного дожига дымовых газов, которая позволяет получить максимум энергии при горении дров. Каналы вторичного дожига расположены на задней стенке топочной камеры непосредственно в вермикулитовой облицовке. Управление вторичным дожигом вынесено на переднюю панель топки
Трубы, размещённые над топочной камерой в области дымосборника, увеличивают движение нагретого воздуха и усиливают конвекционные возможности каминной топки АСТОН ВЕРТИКАЛЬ.
Пламя и дымовые газы, догорая, огибают пламегаситель в верхней части топочной камеры. Пламегаситель изготовлен из вермикулита и предназначен для полного сжигания дымовых газов в дымосборнике каминной топки.
Дверь топки оснащена панорамным термостойким стеклом, позволяющим наблюдать за горением огня и контролировать наполнение топки. Керамическое стекло выдерживает температуру до 650 градусов и устойчиво к резким перепадам температур. Вертикальная ориентация двери и стекла делает внешний вид установленной топки изящным и очень интересным.
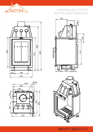
Тяга регулируется за счёт шибера, встроенного в патрубок дымохода диаметром 150 мм. Ручка управления шибером размещается на передней поверхности топки, справа вверху.
|
Производитель
|
Aston |
|
Материал
|
Особо прочная котловая сталь 09Г2С |
|
Диаметр дымохода
|
150 мм |
|
Страна производитель
|
Россия |
|
Объем отапливаемого помещения
|
200 м3 |
|
Высота
|
900 мм |
|
Ширина
|
455 мм |
|
Глубина
|
500 мм |
|
Выход дымохода
|
Сверху |
|
Мощность
|
10 кВт |
|
Площадь отапливаемого помещения
|
100 м2 |
|
Шибер
|
Есть |
|
Стекло
|
Прямое |
|
Вес Брутто
|
90 кг |
Для покупки товара в нашем интернет-магазине выберите понравившийся товар и добавьте его в корзину. Далее перейдите в Корзину и нажмите на «Оформить заказ» или «Быстрый заказ».
Когда оформляете быстрый заказ, напишите ФИО, телефон и e-mail. Вам перезвонит менеджер и уточнит условия заказа. По результатам разговора вам придет подтверждение оформления товара на почту или через СМС. Теперь останется только ждать доставки и радоваться новой покупке.
Оформление заказа в стандартном режиме выглядит следующим образом. Заполняете полностью форму по последовательным этапам: адрес, способ доставки, оплаты, данные о себе. Советуем в комментарии к заказу написать информацию, которая поможет курьеру вас найти. Нажмите кнопку «Оформить заказ».

















